乐鑫信息科技公司官网ESP32-S2-WROOM-I Wi-Fi MCU模组wifi模组生产商










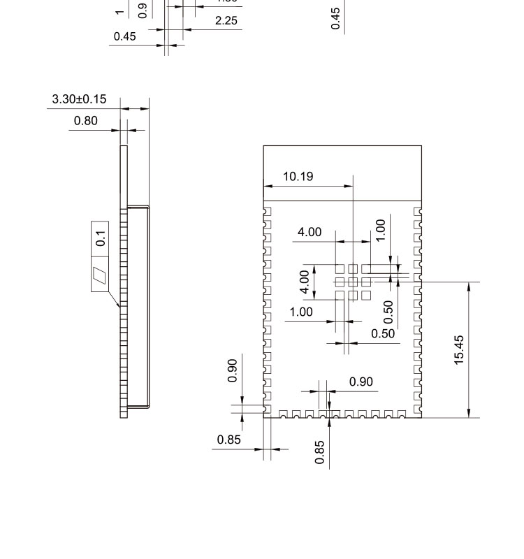
ESP32-S2-WROOM 和 ESP32-S2-WROOM-I 是通用型 Wi-Fi MCU 模组,功能强大,具有丰富的外设接口,可用于可穿戴电子设备、智能家居等场景。乐鑫信息科技公司官网ESP32-S2-WROOM-I Wi-Fi MCU模组wifi模组生产商ESP32-S2-WROOM 采用 PCB 板载天线,ESP32-S2-WROOM-I 采用连接器连接外部天线。
两款模组采用的是 ESP32-S2* 芯片。ESP32-S2 芯片搭载 Xtensa® 32 位 LX7 单核处理器,工作频率高达 240MHz。您可以关闭 CPU 的电源,利用低功耗协处理器监测外设的状态变化或某些模拟量是否超出阈值。ESP32-S2 集成了丰富的外设,包括 SPI、I2S、UART、I2C、LED PWM、TWAI® 控制器、ADC、DAC、触摸传感器、温度传感器和多达 43 个 GPIO。此外,ESP32-S2 还有一个全速 USB On-The-Go (OTG) 接口用于 USB 通讯。
2.4 GHz WiFi (802.11 b/g/n) 模组
内置 ESP32S2 系列芯片(版本 0),Xtensa® 单核 32 位 LX7 微处理器
4 MB flash
37 个 GPIO,丰富的外设
板载 PCB 天线或外部天线连接器
乐鑫信息科技公司官网ESP32-S2-WROOM-I Wi-Fi MCU模组wifi模组生产商应用
• 通用低功耗 IoT 传感器集线器
• 通用低功耗 IoT 数据记录器
• 摄像头视频流传输
• OTT 电视盒/机顶盒设备
• USB 设备
• 语音识别
• 图像识别
• Mesh 网络
• 家庭自动化
• 智能家居控制板
• 智慧楼宇
• 工业自动化
• 智慧农业
• 音频设备
• 健康/医疗/看护
• Wi-Fi 玩具
• 可穿戴电子产品
• 零售 & 餐饮
• 智能 POS 应用
乐鑫信息科技公司官网ESP32-S2-WROOM-I Wi-Fi MCU模组wifi模组生产商特性
CPU 和片上存储器
• 内置 ESP32-S2 芯片,Xtensa® 单核 32 位 LX7 微
处理器,支持高达 240 MHz 的时钟频率
• 128 KB ROM
• 320 KB SRAM
• 16 KB RTC SRAM
WiFi
• 802.11 b/g/n
• 802.11n 模式下数据速率高达 150 Mbps
• 帧聚合 (TX/RX A-MPDU, RX A-MSDU)
• 0.4 µs 保护间隔
• 工作信道中心频率范围:2412 ~ 2484 MHz
外设
• GPIO、SPI、UART、I2C、I2S、LCD 接口、Camera
接口、IR、脉冲计数器、LED PWM、TWAI®(兼
容 ISO 11898-1,即 CAN 规范 2.0)、全速 USB
OTG、ADC、DAC、触摸传感器、温度传感器
模组集成元件
• 40 MHz 集成晶振
• 4 MB SPI flash
天线选型
• 板载 PCB 天线 (ESP32-S2-WROOM)
• 通过连接器连接外部天线 (ESP32-S2-WROOM-I)
工作条件
• 工作电压/供电电压:3.0 ~ 3.6 V
• 工作环境温度:–40 ~ 85 °C
认证
• RF 认证:见 ESP32-S2-WROOM和 ESP32-S2-WROOM-I
证书
• 环保认证:RoHS/REACH
测试
• HTOL/HTSL/uHAST/TCT/ESD
作为乐鑫信息科技公司的官网,ESP32-S2-WROOM-I Wi-Fi MCU模组的生产商,该公司一直以来致力于研究和生产Wi-Fi MCU模组,该模组在市场上受到了广泛的欢迎和认可。乐鑫信息科技公司推出了一款名为ESP32-S2-WROOM-I Wi-Fi MCU模组,该模组在市场上备受瞩目。本文将对该产品进行详细的介绍和解释,以帮助读者更好地了解该产品和乐鑫信息科技公司。
1. ESP32-S2-WROOM-I Wi-Fi MCU模组的简介
ESP32-S2-WROOM-I是一款高性能的Wi-Fi MCU模组,它具有超强的运算能力、低功耗、多种通信接口以及丰富的外设接口。该模组采用的是ESP32-S2芯片,在软件和硬件上都进行了优化,以提高性能和稳定性。ESP32-S2-WROOM-I模组可以广泛应用于各种领域,如物联网、电子商务、医疗、智能家居等方面。
2. 乐鑫信息科技公司官网ESP32-S2-WROOM-I Wi-Fi MCU模组wifi模组生产商的特点
ESP32-S2-WROOM-I Wi-Fi MCU模组具有以下几个突出的特点:
a. 高性能
ESP32-S2-WROOM-I Wi-Fi MCU模组采用了ESP32-S2芯片作为核心处理器,具有超强的运算能力和处理速度。CPU主频高达240MHz,支持IEEE 802.11 b/g/n/e/i标准,无线传输速度高达150Mbps。
b. 低功耗
乐鑫信息科技公司官网ESP32-S2-WROOM-I Wi-Fi MCU模组wifi模组生产商采用了低功耗的设计,可以实现长时间的低功耗运行。模组在不同工作模式下的功耗可以自由选择和优化,以满足不同的应用需求。
c. 多种通信接口
ESP32-S2-WROOM-I Wi-Fi MCU模组具有多种通信接口,包括UART、SPI、I2C、PWM、ADC、DAC和GPIO等。这些接口可以与各种传感器、显示器、存储器、驱动器等外设进行连接。
d. 丰富的外设接口
ESP32-S2-WROOM-I Wi-Fi MCU模组还具有丰富的外设接口,包括USB、SDIO、Ethernet等,可以满足更多的应用需求。
3. ESP32-S2-WROOM-I Wi-Fi MCU模组的应用领域
ESP32-S2-WROOM-I Wi-Fi MCU模组可以广泛应用于以下领域:
a. 物联网领域
ESP32-S2-WROOM-I Wi-Fi MCU模组的低功耗和高性能使其非常适用于物联网领域,可以用于智能家居、智能医疗、智能工业等各种领域。
b. 电子商务领域
ESP32-S2-WROOM-I Wi-Fi MCU模组可以通过与各种传感器、显示器等外设配合使用,实现各种电子商务应用,如货物追踪、货架管理等。
c. 医疗领域
ESP32-S2-WROOM-I Wi-Fi MCU模组可以用于医疗设备中,如呼吸机、血压计、血糖仪等,以实现各种医疗监测和治疗。
4. ESP32-S2-WROOM-I Wi-Fi MCU模组的优势和竞争力
乐鑫信息科技公司官网ESP32-S2-WROOM-I Wi-Fi MCU模组wifi模组生产商具有以下几个优势和竞争力:
a. 高性能和低功耗的设计,可以满足各种应用需求,增强了该模组的市场竞争力。
b. 多种通信接口和丰富的外设接口,可以满足各种需求和应用场景,增加了该模组的灵活性和可扩展性。
c. 官网提供了完整详细的技术文档和支持,能够帮助客户更好地了解和使用该产品,增强了该公司的品牌形象和用户满意度。
5. 总结
作为乐鑫信息科技公司的官网,该公司生产的ESP32-S2-WROOM-I Wi-Fi MCU模组具有高性能、低功耗、多种通信接口和丰富的外设接口等突出特点,可以广泛应用于多个领域,如物联网、电子商务、医疗等方面。该模组的优势和竞争力可以增强其市场竞争力和用户满意度,乐鑫信息科技公司的技术文档和支持也为客户提供了更好的服务和帮助。作为一个具有竞争力的Wi-Fi MCU模组生产商,乐鑫信息科技公司一直致力于提高其产品的性能和稳定性,并通过不断更新和改进来满足不同客户的需求。ESP32-S2-WROOM-I Wi-Fi MCU模组的推出标志着该公司在市场上的一个重要里程碑,也进一步证明了其在Wi-Fi MCU领域的实力和专业能力。
在不断变化的市场环境和需求下,乐鑫信息科技公司不仅要提高自身的技术能力,还要关注市场的变化和趋势,不断创新和更新其产品,以更好地服务客户和满足市场需求。只有不断提高产品质量和服务质量,才能让客户信任和满意,从而实现公司的长期发展和增长。
在信息社会的今天,物联网已经成为时代的潮流,乐鑫信息科技公司官网ESP32-S2-WROOM-I Wi-Fi MCU模组wifi模组生产商在物联网中扮演着至关重要的角色。作为一家Wi-Fi MCU模组生产商,乐鑫信息科技公司在技术研究方面具有很高的竞争力和实力。
Wi-Fi MCU模组是物联网中重要的组成部分之一,它提供了物联网连接、控制和数据交互的功能。Wi-Fi MCU模组技术的发展,对于物联网技术和行业的发展,有着重要的推进作用和深远的影响。作为一家生产Wi-Fi MCU模组的公司,乐鑫信息科技公司致力于在技术和产品方面不断创新和突破,为物联网的发展注入新的动力和活力。
当前,Wi-Fi MCU模组市场竞争激烈,且处于变革和创新的关键时期。随着技术的发展和应用场景的拓展,市场对Wi-Fi MCU模组产品性能和品质的要求越来越高。为了不断提高产品的性能和品质,乐鑫信息科技公司以创新为核心,不断推出更具创新性的Wi-Fi MCU模组产品,并加强对产品设计、技术实现和质量控制的要求。
此外,为了加强对全球市场的拓展和服务,乐鑫信息科技公司在产品和技术方面也持续进行深入的研究和开发,积极利用全球化的经营模式和网络,为全球的客户提供优质的产品和服务。通过不断提高产品和服务的质量和性价比,乐鑫信息科技公司已经成功在全球范围内建立了广泛的客户和销售网络。
可以肯定的是,随着物联网市场的快速发展和成熟,Wi-Fi MCU模组将在物联网中发挥越来越重要的作用。乐鑫信息科技公司将继续以创新和突破为核心,不断提高产品性能和品质,不断加强与客户和合作伙伴的沟通和协作,以引领和推进Wi-Fi MCU模组市场的创新和发展。
地址:深圳市宝安区西乡街道麻布社区宝安互联网产业基地A区6栋7栋7706
版权所有©2020 深圳市飞睿科技有限公司 粤ICP备2020098907号 飞睿科技微波雷达wifi模块网站地图
免责声明:本网站部分图片和文字内容可能来源于网络,转载目的在于传递更多信息,并不代表本网站赞同其观点或证实其内容的真实性。如涉及作品内容、版权和其它问题,请在30日内与本网站联系,我们将在第一时间删除内容!本站拥有对此声明的最终解释权。
